欢迎访问虞建风机网站!
        诚招各地代理商        网站地图  |  加入收藏
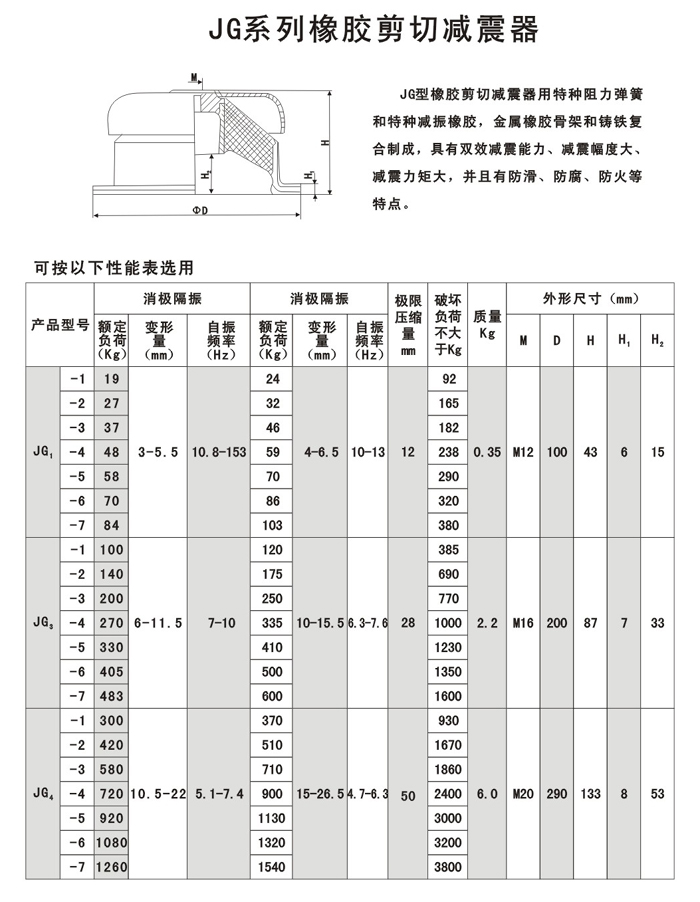
 您现在的位置:网站首页 > 产品展示 > 风机专用弹簧吊架和减振器



二、安装与使用
首先拆箱检查风机各部在运输中有否变形或损坏,若有此情形,应待检修校正后方可正式安装使用。
1、打开接线盒,接通电源度运转(空载),叶轮旋转方向与铭牌箭头相同,风机外壳需接地,并观察其有否碰壳,若有此情形,应立即予以调整。
2、风机接线法兰应接帆布或其他软性接管,以利于风机与管道的隔振,风机不应承爱外接风管的重量,屋顶式风机与基础连接处及分体式风帽装连接处应加减振垫,并加注密封胶以避免漏风。
3、风机安装就位,所有紧固件必须重新紧固一次。
4、待清除风机进出口管道及附近一切障碍物后放可正式投入使用。
三、维护与保养
1、一旦发现风机有问题,应随时立即停机检查。
2、定期清除风机前后管道中的异物,以防意外,应定期更换传动部位润滑油脂,风机在露天应有防雨措施。
3、遇工况变化,应采用阀门调节风量。
4、定期测量风机电机电流大小,正常情况下,所测电流应小于额定电流。

四、常风故障分析
1、振动(可从下述几个方面进行检查);
A:叶轮旋转时碰擦,此时会发生异常的声音和激烈的振动。原因是贮运,安装,使用过程中风机外壳或叶轮部件发生变形。
B:贮运,安装,使用过程中传动件或机壳变形叶轮平衡破坏。原因如下:叶轮受压变形;叶轮与轴套的连接件松动;吊装不妥导致主轴变形;电机固定螺旋松动;
C:风机底脚螺栓未固紧。
2、发热:常温下运行一小时后,发现电机温升过高,则可能由下列原因之一造成;
A:系统阻力过大或风机选配一不合理导致电机超负荷运行,原因是管网阻力系数过大或管路系数的阀门未打开。
B:电机轴承损坏,配合间隙小,不符合要求;
C:电机断相运行或接线错误;
D:电源电压过低。

五、风机的节电方法
1、尽量减小管网阻力,合理选择管道尺寸和安装位置,装设进口集流器。
2、控制风筒与叶片顶部的径向间隙值。
3、合理选择风机型号,不使风机在低效区进行。
4、如单独适用风机叶轮必须配合适的电机,否则会造成大马拉小车的现象。


六、定货说明

1、注明风机的名称,型号,风量,风压,功率,转速,电机安装形式。
2、订货时,请注明是否带电控箱,消声器,活叶风门等附件,常规产品不带。
3、风机箱应注明风机进出口位置,在要求较高的场合,请注明卧式或吊顶式安装是否带减振器及减振垫。
4、样站所列风机性能均为标准工况下的数值,本公司愿承接站内展示的产品设计。